Relais de sécurité Cat. 4, 3NO+1NF, 22,5mm, 230Vac, débroch. à ress
Paiement sécurisé
Virement bancaire
Informations de livraison
10 articles en stock
Livraison entre le 17/10 et le 19/10
Vendu et expédié par

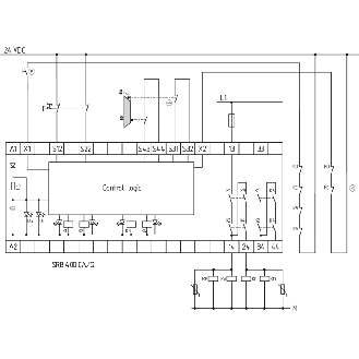
Le relais de sécurité Cat. 4 de la marque Pizzato Elettrica est un module de sécurité essentiel pour garantir la protection des opérateurs et des équipements industriels. Doté de 3 contacts normalement ouverts (3NO) et 1 contact normalement fermé (1NC), ce relais offre une fiabilité optimale dans les applications de sécurité.
- Fonctions : Ce relais assure le contrôle des protecteurs et des arrêts d'urgence, contribuant ainsi à la sécurité des installations industrielles.
- Applications de sécurité : Conforme à la catégorie 4, PL e et SIL 3, ce relais garantit un niveau de performance élevé pour la protection des personnes et des machines.
- Sorties : Equipé de 3NO et 1NC (CS AR-04), ce relais offre une grande flexibilité d'utilisation dans diverses configurations.
- Bornes : Les connecteurs avec bornes à ressort (4) facilitent le câblage et assurent une connexion sécurisée.
- Alimentation : Fonctionnant sous une tension de 230 Vac, ce relais est adapté aux besoins des installations industrielles.
- Boîtier compact : Avec des dimensions réduites de 22,5 mm, ce relais s'intègre facilement dans les armoires électriques, optimisant ainsi l'espace disponible.
- Degré de protection : Le boîtier offre une protection IP40, tandis que le bornier est classé IP20, assurant une protection efficace contre les éléments extérieurs.
- Température ambiante : Ce relais est conçu pour fonctionner dans des conditions allant de -25°C à +55°C, garantissant des performances fiables même dans des environnements difficiles.
Ce relais de sécurité Cat. 4 de Pizzato Elettrica est un choix idéal pour assurer la sécurité et la fiabilité des équipements industriels, offrant des performances optimales dans les applications les plus exigeantes.
Caractéristiques
- Référence DirectIndustry
- 0004930019
Description
Le relais de sécurité Cat. 4 de la marque Pizzato Elettrica est un module de sécurité essentiel pour garantir la protection des opérateurs et des équipements industriels. Doté de 3 contacts normalement ouverts (3NO) et 1 contact normalement fermé (1NC), ce relais offre une fiabilité optimale dans les applications de sécurité.
- Fonctions : Ce relais assure le contrôle des protecteurs et des arrêts d'urgence, contribuant ainsi à la sécurité des installations industrielles.
- Applications de sécurité : Conforme à la catégorie 4, PL e et SIL 3, ce relais garantit un niveau de performance élevé pour la protection des personnes et des machines.
- Sorties : Equipé de 3NO et 1NC (CS AR-04), ce relais offre une grande flexibilité d'utilisation dans diverses configurations.
- Bornes : Les connecteurs avec bornes à ressort (4) facilitent le câblage et assurent une connexion sécurisée.
- Alimentation : Fonctionnant sous une tension de 230 Vac, ce relais est adapté aux besoins des installations industrielles.
- Boîtier compact : Avec des dimensions réduites de 22,5 mm, ce relais s'intègre facilement dans les armoires électriques, optimisant ainsi l'espace disponible.
- Degré de protection : Le boîtier offre une protection IP40, tandis que le bornier est classé IP20, assurant une protection efficace contre les éléments extérieurs.
- Température ambiante : Ce relais est conçu pour fonctionner dans des conditions allant de -25°C à +55°C, garantissant des performances fiables même dans des environnements difficiles.
Ce relais de sécurité Cat. 4 de Pizzato Elettrica est un choix idéal pour assurer la sécurité et la fiabilité des équipements industriels, offrant des performances optimales dans les applications les plus exigeantes.
Vous pourriez aussi être intéressé par