Cellule Directe M18 PNP P=400mm IR LO/DO Métal Radial M12 4PFAI6/BP-3E
Paiement sécurisé
Virement bancaire
Informations de livraison
10 articles en stock
Livraison entre le 16/10 et le 18/10
Vendu et expédié par

La Cellule Directe M18 PNP P=400mm IR LO/DO Métal Radial M12 4P de la marque Datasensing est un capteur photoélectrique de haute qualité, conçu pour des applications industrielles exigeantes.
- Format : Cylindrique fileté, M18 x 1, faisceau radial
- Principe du capteur : Détecteur à réflexion directe
- Principe de détection : Énergétique
- Distance de commutation max. : 400 mm
- Source d'émission : LED, Lumière infrarouge
- Sortie de commutation : PNP
- Type de commutation : Antivalente (NO+NF)
- Temps de réponse : 2 ms
- Fréquence de commutation : 250 Hz
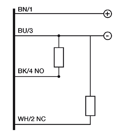
- Raccordement : Connecteur mâle M12 4 pôles
- Tension d'alimentation : 10-30Vdc
- Diamètre : Ø 18 mm
- Longueur totale du boîtier : 92,6 mm
- Longueur de filetage utile : 42,5 mm
- Matériau du boîtier : Laiton nickelé
- Matériau de la tête active : PMMA
- Indice de protection : IP67 (EN 60529)
- Température de fonctionnement : –25 °C .. +70 °C (hors gel)
- Homologations : CE, cULus
- Accessoires fournis : Écrous M18 x 1
- Série : FA
Ce capteur photoélectrique de la marque Datasensing est idéal pour les applications de détection dans des environnements industriels variés. Sa robustesse, sa précision et sa fiabilité en font un choix de confiance pour vos besoins en détection photoélectrique.
Caractéristiques
- Nom/numéro de modèle
- FAI6/BP-3E
- Référence DirectIndustry
- 0005775440
Description
La Cellule Directe M18 PNP P=400mm IR LO/DO Métal Radial M12 4P de la marque Datasensing est un capteur photoélectrique de haute qualité, conçu pour des applications industrielles exigeantes.
- Format : Cylindrique fileté, M18 x 1, faisceau radial
- Principe du capteur : Détecteur à réflexion directe
- Principe de détection : Énergétique
- Distance de commutation max. : 400 mm
- Source d'émission : LED, Lumière infrarouge
- Sortie de commutation : PNP
- Type de commutation : Antivalente (NO+NF)
- Temps de réponse : 2 ms
- Fréquence de commutation : 250 Hz
- Raccordement : Connecteur mâle M12 4 pôles
- Tension d'alimentation : 10-30Vdc
- Diamètre : Ø 18 mm
- Longueur totale du boîtier : 92,6 mm
- Longueur de filetage utile : 42,5 mm
- Matériau du boîtier : Laiton nickelé
- Matériau de la tête active : PMMA
- Indice de protection : IP67 (EN 60529)
- Température de fonctionnement : –25 °C .. +70 °C (hors gel)
- Homologations : CE, cULus
- Accessoires fournis : Écrous M18 x 1
- Série : FA
Ce capteur photoélectrique de la marque Datasensing est idéal pour les applications de détection dans des environnements industriels variés. Sa robustesse, sa précision et sa fiabilité en font un choix de confiance pour vos besoins en détection photoélectrique.
Documentation technique
Vous pourriez aussi être intéressé par