Titre : Répartiteur 8xM12 5p; Câble 15m PUR 16x0,5+3x1.0, UL/CSA
Le répartiteur étanche Exact12 de la marque MURRELEKTRONIK est un composant essentiel pour vos applications industrielles nécessitant un raccordement ...
Titre : Répartiteur 8xM12 5p; Câble 3m PUR/PVC 16*0,34+3*0,75 UL/CSA
Le répartiteur étanche Exact12 de la marque MURRELEKTRONIK est un composant essentiel pour vos installations industrielles, offrant une connectivité ...
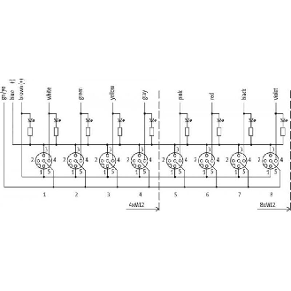
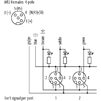
Titre : Répartiteur 8xM12 4p; Câble PUR/PVC UL/CSA 8*0,34+3*0,75, 10m
Le répartiteur étanche Exact12 de la marque MURRELEKTRONIK est un composant essentiel pour vos installations industrielles. Voici ses ...
Le répartiteur étanche Exact12 de la marque MURRELEKTRONIK est un composant essentiel pour vos installations industrielles. Ce répartiteur de type 8xM12, 4 pôles, est équipé d'un câble préconfectionné de 30.0 m en PUR/PVC (UL/CSA), ...
Titre : Répartiteur 8xM12 4p; Câble PUR/PVC UL/CSA 8*0,34+3*0,75, 3m
Le répartiteur étanche Exact12 de la marque MURRELEKTRONIK est un composant essentiel pour vos installations industrielles. Voici ses ...